Min kommande modelljärnväg
Har funderat i många år. Men detta kan nog bli verklighet. Banan ska byggas i mitt kontor/hobbyrum och vila på ett antal bokhyllor, IKEA Billy, som jag sedan länge placerat just med tanke på banbygget. De röda spåren är det dolda tågmagasinet som kan husera 6 tåg med längder på 1,5 till 1,9 meter. Magasinet ser ut att rymma upp till 9 tåg men 3 av spåren är genompassage. Kan dock användas till att parkera diverse fordon när man inte kör trafik. Banan tar upp ca 3,8 x 2,2 meter plus den lilla industrin nere till höger.
Ovanpå magasinet vill jag ha en gammal pittoresk stadsmiljö med trånga gator och stenhus med butiker. Blir väl delvis som en kuliss som försöker lura ögat lite då djupet är begränsat. Stämningsfull belysning såklart och lite trafikljus som blinkar. Då stationen ligger ett antal meter ner så tänker jag mig den insprängd i berget.
Trafikidén är att kunna visa tidstypiska tåg med förebilder från år 1930 till nutid. Sen kan man ju rangera lite godsvagnar för leverans till godsmagasinet och industrin när andan faller på. Tågen körs ut från magasinet och runt till stationen. Körs sedan vidare runt och in på sin plats i magasinet igen. Två tåg får plats på stationen.
Alla spår ligger i samma nivå helt utan stigningar. Då allt vilar direkt på Billyhyllorna så går det inte att komma åt under banan. Alla växelservon och allt kablage blir åtkomligt från ovansidan. För att få detta att fungera är tanken att limma liggunderlag på mdf-skivor med spår/diken för att husera servon, kablage och några enkla styrkort till servon. På liggunderlaget limmas sedan kork där det ska vara spår. Spåren limmas sedan på korken. Före bygget ska jag göra ett testspår för att se att limningen fungerar och att tågen rullar så tyst som möjligt. I testspåret lägger jag även med en sån växelgata med en dubbel korsningsväxel och två enkelväxlar som det blir två av i magasinet. Just för att se att det fungerar problemfritt. Jag använder spår och växlar av fabrikat Tillig H0-Elite.
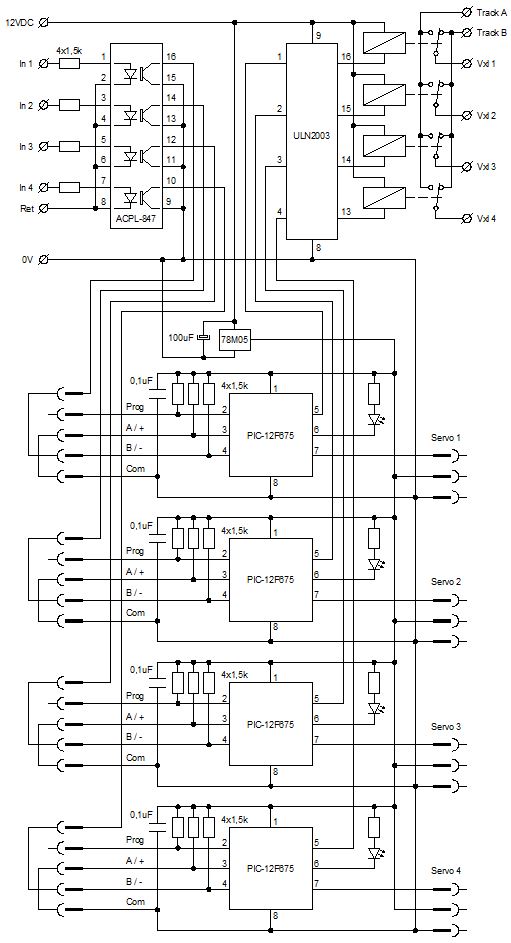
Tanken var att jag skulle använda mig av MGP's Loconetstyrda produkter för styrning av växelservon, signaler och för spåravkänning. Testade några av dessa och de fungerade alldeles utmärkt. Men då undersidan ej blir åtkomlig så kommer kabeldragningen bli för omfattande. Det blir nu i stället ESU's Signal Pilot 51840 för styning av växlar och signaler samt Roco's Z21 Detector X16 10819 för spåravkänning. ESU's Signal Pilot har 16 utgångar som då kan styra 16 växelservon via min egen konstruktion för detta (se projektsidan).
Jag bygger egna kretskort med fyra servostyrkanaler per kort. Dessa placeras i närheten av växlarna och dolda på banans ovansida. Varje kanal har också ett relä för att polarisera växelkorset. Styrsignalerna från ESU's Signal Pilot kopplas via optokopplare för konvertering från 18 volt till 5 volt och ger samtidigt galvanisk isolation. Korten matas med ett eget 12 volts aggregat och blir helt elektriskt frikopplat från banan och funktionsdekodrar. Varje kanal har en 5-polig stiftlist där jag ansluter min programmeringsbox som bara innehåller 3 tryckknappar, P/+/-. Efter programmering pluggar jag i stället in en hylskontakt med två trådbyglar som väljer typ av styrning och koppling av signal från optokopplare.

Det första kortet bygger jag på en prototypplatta. Sen får jag se om jag Caddar riktiga kort eller fortsätter med "prototypestyle".

Jag kommer att använda denna typ av servo till växlarna. Min servostyrning kan köra servot hela 180 grader och med kortast möjliga servoarm blir slaget cirka 9 mm. Länken mellan servo och växel blir fjädrande åt båda håll för att pressa växeltungorna i rätt läge. Och med 180 graders slag blir det självhämmande och utan surr från servot.

Här är en illustration hur jag tänker att det blir självhämmande. Spänningar i länken försöker inte vrida på servoarmen och servot behöver då inte "hålla emot".

Min idé till servolänk ser ut så här just nu. 1 mm mässingtråd, 2 mm mässingrör och en 20 mm lång spiralfjäder i mässing.. Rör och tråd gör att länken inte viker sig. Fjädrar är beställda. Blir spännande att testa.
