Diesellok Tågab Tmy 103 |
![]() |
Det här var mitt första lok utrustat med ljuddekoder. Jag blev helt såld, och fullständigt klar över att alla mina lok skall ha ljuddekoder.
Som vanligt var jag inte nöjd med strålkastarnas funktion så ljusledar-arrangemanget rev jag ut. Jag har också förberett för separata slutsignaler precis under den övre strålkastaren så som förebilden har. Jag monterar även LED för hyttbelysning.
De vita lysdioderna kommer jag att limma direkt bakom och mot de befintliga linserna, så det blir kanonbra effekt på ljuset. De röda lysdioderna kommer att titta fram genom kåpan. Det blir 10 lysdioder totalt. Även några av motstånden och ett par dioder monteras i kåpan, och sen 9 trådar ner till ett litet tillkommande kretskort.
Loket har två axlar med slirskydd och sådana undviker jag om det går. Roco hade inga hjul på lager men jag hittade Roco-hjul i mina gömmor med rätt diameter så jag drog av "gummihjulen" och pressade på dessa i stället. Jag använder min pelarborrmaskin för att pressa på det första hjulet och ett annat pressverktyg till hjul nummer två. Blir skottrakt. Finjusterar sen back-to-back-måttet med avdragaren. Upptäckte att den ena boggien saknade två kugghjul så den drev bara på en av tre axlar. Slarv av Roco! Nya är nu anskaffade och monterade.
I övrigt finns det inget jag ogillar med loket. Drivning och strömupptagning på alla 12 hjulen borgar för tillförlitlig funktion. Det finns gott om plats för backup-kondensator så jag ska ordna det också....
.....Nu har det gått några år men suget att färdigställa detta lok kom just tillbaka.
Modellen hade en ESU ljuddekoder version 3.5 och tanken först var att välja samma lösning för ljuset som jag gjorde på Da-loken. Fyra transistorer och några motstånd alltså. Sen tänkte jag mig en Zimo MX644 i stället kopplad via en adapterplatta. Så upptäcker jag nu vid återupptagande av projektet att jag redan bytt dekoder till en ESU V4 med 6 utgångar. Loket går väldigt fint nu och med trovärdigt ljud så jag kör på denna och enligt nedanstående schema.
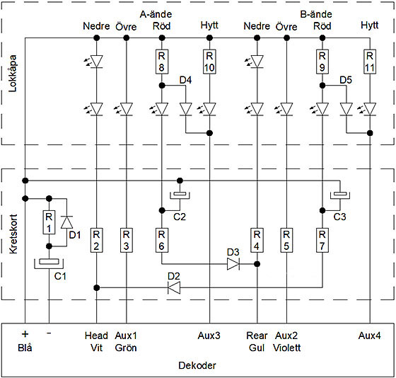
Komponenter
| R1, R6-R7 | Motstånd 100 ohm | Begränsning av uppladdningsström |
| R2-R5 | Motstånd 22 kohm | Till strålkastar-LEDar |
| R8-R11 | Motstånd 10 kohm | Till slutsignal och hyttbelysning |
| C1 | Ellyt 470 uF 25V | Backup-kondensator |
| C2-C3 | Ellyt 2,2 uF 25V | Ger konstant ljus på slutsignal |
| D1 | Diod 1N4005 | Till backupfunktion |
| D2-D5 | Diod 1N4148 | För slutsignal och växlingsljus |
Beskrivning
R1, D1 och C1 utgör en standard backup-funktion för att klara korta avbrott i ström-upptagningen. Kondensatorn laddas upp via R1 och vid avbrott matas ström tillbaka till dekodern via D1.
Dekoderutgångarna Head och Rear styr de nedre strålkastarna i A- och B-ände. Motstånden R2 och R4 har valts för att få trovärdig skillnad mellan dimmad och full ljusstyrka. Dessa utgångar tänder även andra ändens slutsignal. För att förhindra att slutsignalen dimmas samtidigt med strålkastarna, tillkommer D2, R7 och C3 samt D3, R6 och C2. Dekodern dimmar ju ljuset genom att tända med bara korta pulser. Genom att snabbt ladda upp C2 och C3 med dessa pulser via enbart 100 ohm, och urladdningen genom lysdioden sker via 10 kohm så får man fullt ljus i slutsignalerna. Typ samma princip som backup-funktionen.
Utgångarna Aux1 och Aux2 styr de övre strålkastarna. Dessa blir också dimbara. Aux3 och Aux4 till sist, tänder hyttbelysning. Dioderna D4 och D5 förhindrar tändning av slutsignal i samma ände som hyttbelysningen är tänd. Mer om detta längre ner.
Ljusbilder
Om jag är rätt underrättad så har dessa lok (kanske inte alla) moderniserats med ljusvred av lika typ som i Rc-loken.
|
0 - Släckt 1 - Markeringsljus 2 - Halvljus 3 - Helljus 4 - Växlingsljus vid rangering |
Då den dekoder jag valt bara har 6 utgångar, så blir det en liten kompromiss för att få växlingsljus. Växlingsljus innebär ju att nedre strålkastarna i båda ändarna är tända i dimmat läge. För att förhindra att slutsignalerna tänds i båda ändar så gör jag så att hyttbelysningen automatiskt tänds i framänden (där lokföraren är). En diod D4/D5 släcker då slusignalen i samma ände. En kompromiss jag kan leva med.
Funktioner
För att ställa in all funktionalitet använder jag Esu LokProgrammer med tillhörande programvara. I "Function mapping" styr man vad funktionsknapparna ska göra och i "Function outputs" ställer man värden för dimning av ljuset mm.
